TrackMotion Floor TMF

Linear drive axes for robots

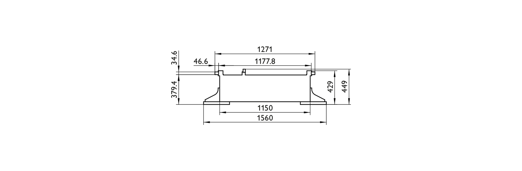
The TrackMotion Floor (TMF) can move robots weighing up to six tons. The robot transport unit boasts excellent stability and dirt resistance. It easily absorbs the dynamic fundamental loads of articulated robots in every direction. Thanks to its high degree of rigidity, the TMF runs quietly and spreads loads well, even in emergency stop situations. To achieve this, the guides have been precisely fitted into the closed, welded beam system. Another advantage is that the rollers can easily be adjusted from the outside. The TMF will bring precision and efficiency to your production processes. 

 

Technical data   Downloads   Contact

Linear Track Selection Tool   Product Configurator

Type TMF Product Overview by payload

For high dynamics and heavy loads

Due to the carriage unit's high degree of rigidity, the Güdel Trackmotion Floor TMF easily absorbs the dynamic fundamental loads of articulated robots in all directions.

The guide rollers, placed laterally and orthogonally, permit the greatest possible dynamics for the smallest frame size.

TrackMotion Floor TMF - a linear axis for robots - adapter plate | © Güdel Group AG

VIDEOS

Experience our products

TMF-4 TrackMotion Floor mounted Drive Axis

With Kuka KR 510 robot

TMF-5 - TrackMotion Floor mounted Drive Axis

With ABB IRB 8700 robot

TMF-6 - Heavy-duty TrackMotion Floor mounted Drive Axis

With Fanuc M-2000iA robot

Downloads

Product Type Language Payload (N) Download
Robotics Catalog Catalog English - pdf
Robotics Catalog Catalog German - pdf
TMF-1 Data sheet English 12000 pdf
TMF-1 Data sheet German 12000 pdf
TMF-2 Data sheet English 25000 pdf
TMF-2 Data sheet German 25000 pdf
TMF-3 Data sheet English 40000 pdf
TMF-3 Data sheet German 40000 pdf
TMF-4 Data sheet English 52000 pdf
TMF-4 Data sheet German 52000 pdf
TMF-5 Data sheet English 11680 pdf
TMF-5 Data sheet German 11680 pdf
Product and solutions portfolio Brochure English - pdf
Product and solutions portfolio Brochure German - pdf
TMF-5 Factsheet English 11680 pdf
TMF-5 Factsheet German 11680 pdf
TMF-6 (EN) Data sheet English 200000 pdf
TMF-6 (DE) Data sheet German 200000 pdf

Contact

We are pleased to answer your request


* Required Field.

Get updates about the latest developments of our products, current news, information about events and the latest content on our website.